專注工業油品凈化/高端品質/廠家直銷國家專利技術 油品凈化有保障!
產品介紹:
VOC-S-E系列凈油機是采用抽真空加熱除水的方式除水,電荷聚合的過濾方式處理雜質的濾油機,**含水量可以達到100ppm,**精度可以達到0.02μm。除水速度快,精度高。
|
類型 |
VOC-S-E系列 |
|
工作原理 |
真空脫水+電荷聚合 |
|
除水速度 |
快 |
|
水分含量 |
≤100ppm |
|
清潔度 |
NAS7 -9級 |
|
適用性 |
適用于水分異常的對象油,粘度低于150cts的潤滑油。 |
特點:
1、超強的破乳化能力。
2、可以與平衡電荷相結合,可以處理重污染含水油液,同時能夠滿足客戶高清潔度的使用要求。
3、可深度去除膠質、漆膜、油泥等常規過濾設備難以去除的雜質。極大的延長了油品的使用周期。
技術參數:
|
指標名稱 |
單位 |
VOC-S-E10 |
VOC-S-E30 |
VOC-S-E50 |
VOC-S-E100 |
VOC-S-E200 |
|
流量 |
L/min |
10 |
30 |
50 |
100 |
200 |
|
工作真空度 |
Mpa |
-0.06~-0.099 |
||||
|
工作壓力 |
Mpa |
≤0.5 |
||||
|
運行溫度 |
℃ |
20~80 |
||||
|
油中含水量 |
PPm |
≤50 |
||||
|
清潔度 |
NAS |
≤NAS 8級 可根據要求選配更**別過濾器 |
||||
|
破乳化值 |
min |
≤15(GB/F7305) |
||||
|
電源 |
V |
~50Hz,380V (或根據用戶需要定) |
||||
|
電加熱功率 |
KW |
10 |
20 |
25 |
50 |
80 |
|
電總功率 |
KW |
13 |
25 |
32 |
56 |
88 |
|
進出口管徑 |
mm |
DN15 |
DN20 |
DN25 |
DN32 |
DN50 |
|
設備重量 |
Kg |
300 |
400 |
550 |
750 |
1200 |
|
設備尺寸 |
長mm |
950 |
1600 |
1500 |
1650 |
2000 |
|
寬mm |
750 |
900 |
950 |
1150 |
1350 |
|
|
高mm |
1400 |
1570 |
1650 |
1700 |
1700 |
|
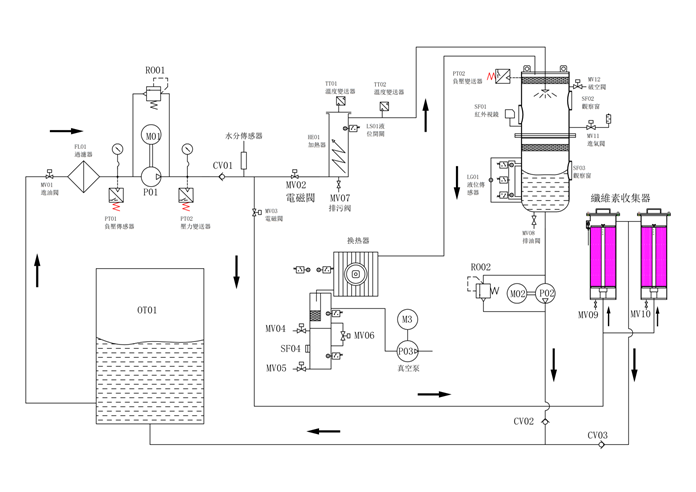
工作原理:

設備優勢:
1、低表面功率加熱器:加熱器采用低表面功率加熱器,每平方厘米加熱功率≤2W,不會因油液局部溫升過高造成的劣化。
2、自動排水功能:不需要人工頻繁操作排放水。
3、自動消泡功能:設備帶紅外監測,氣泡升高時,設備自動啟動消泡功能。不會因設備氣泡過多而造成噴油故障。
4、漏油監測:設備故障漏油,設備自動停機。
5、自動進出油平衡:真空罐油液在液位計的**下自動工作。不需要人工手動找油液平衡位置。
6、清潔度監測:設備自帶顆粒度計數儀。可以設置手動監測,與自動監測功能。
7、電荷聚合:設備采用電荷聚合去除油液里面的雜質,**精度可以達到0.02μm
8、自動化功能:設備自動化程度高,從而減少人員的操作。
9、管路全不銹鋼:全部油路采用不銹鋼制作。




